
Mô tả sản phẩm Chi tiết
| Lợi thế: | Tốc độ cao | Tốc độ ghi nhãn: | 60-200 chiếc / phút |
|---|---|---|---|
| Chức năng: | Dán nhãn dán dính | Vật chất: | Thép không gỉ |
| Loại chai: | Máy dán nhãn chai tròn tự động | Ứng dụng: | Đối với tất cả các loại container tròn |
| Thương hiệu Plc: | MITSUBISHI (Nhật Bản) | Động cơ ghi nhãn Servo: | DELTA (Đài Loan) |
máy dán nhãn rượu vang đỏ Máy dán nhãn chai rượu thủy tinh, hệ thống điều khiển PLC Máy dán nhãn nhãn hiệu MITSUBISHI
Đặc trưng:
1. Vận hành: Hệ thống điều khiển PLC giúp máy dán nhãn dễ vận hành
2. Chất liệu: Thân chính của máy dán nhãn được làm bằng thép không gỉ SUS304
3. Cấu hình: Máy dán nhãn của chúng tôi sử dụng các bộ phận thương hiệu nổi tiếng của Nhật Bản, Đức, Mỹ, Hàn Quốc hoặc Đài Loan
4. Tính linh hoạt: Khách hàng có thể chọn thêm máy in và máy viết mã; có thể chọn kết nối với converyer hoặc không.
Các thông số kỹ thuật:
| Tên | Chai rượu tròn tự động cho máy dán nhãn chai tròn co tay tốc độ cao |
| Tốc độ ghi nhãn | 60-350 chiếc / phút |
| Chiều cao của đối tượng | 30-350mm |
| Độ dày của vật thể | 20-120mm |
| Chiều cao của nhãn | 5-180mm |
| Chiều dài của nhãn | 25-300mm |
| Đường kính bên trong con lăn nhãn | 76mm |
| Đường kính bên ngoài con lăn nhãn | 420mm |
| Độ chính xác của việc ghi nhãn | ± 1mm |
| Nguồn cấp | 220V 50 / 60HZ 3,5KW |
| Tiêu thụ khí đốt của máy in | 5Kg / m2 (nếu thêm máy mã hóa) |
| Kích thước của máy dán nhãn | 2800 (L) × 1650 (W) × 1500 (H) mm |
| Trọng lượng của máy dán nhãn | 180kg |
Cấu hình
| Không. | Phần | nhãn hiệu | định lượng |
| 1 | PLC | MITSUBISHI (Nhật Bản) | 1 |
| 2 | Bộ chuyển đổi chính | DANFOSS (Đan Mạch) | 1 |
| 4 | HMI | WEINVIEW (Đài Loan) | 1 |
| 5 | Động cơ ghi nhãn Servo | DELTA (Đài Loan) | 1 |
| 6 | Trình điều khiển động cơ ghi nhãn Servo | DELTA (Đài Loan) | 1 |
| 7 | Động cơ băng tải | HY (Đài Loan) | 1 |
| 8 | Hộp số động cơ băng tải | HY (Đài Loan) | 1 |
| 9 | Chia động cơ chai | GPG (Đài Loan) | 1 |
| 10 | Hộp số động cơ chia chai | GPG (Đài Loan) | 1 |
| 11 | Bộ điều chỉnh tốc độ động cơ tách chai | GPG (Đài Loan) | 1 |
| 12 | Nói động cơ | GPG (Đài Loan) | 1 |
| 13 | Nói hộp số động cơ | GPG (Đài Loan) | 1 |
| 14 | đối tượng phát hiện mắt thần | OMRON (Nhật Bản) | 1 |
| 15 | cáp quang | OMRON (Nhật Bản) | 1 |
Chi tiết máy:

32 bộ phận máy dán nhãn chính

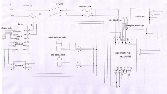
Sơ đồ mạch

Câu hỏi thường gặp:
1. nhãn có bong bóng
Lý do:
① bóc bảng không tốt / không phẳng;
② bảng cày không tốt / không bằng phẳng;
③ sản lượng ghi nhãn quá nhanh hoặc tốc độ của dây chuyền lắp ráp quá thấp;
④ nhãn được kéo quá lỏng lẻo
Các giải pháp:
① thay đổi một tấm ván bóc phẳng;
② thay đổi một bảng cày phẳng;
③ làm chậm tốc độ đầu ra nhãn hoặc tăng tốc độ của dây chuyền lắp ráp;
④ tác động vào đai nhãn đúng cách.
Nhãn: máy dán nhãn công nghiệp, máy dán nhãn chai thủy tinh









